Xi'an Yizhu Industrialization Technology Co., Ltd.
2019-04-09 来源:西安易筑机电工业化科技有限公司
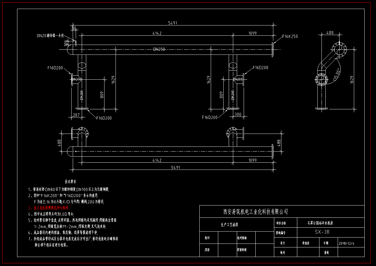
本项目位于成都市地铁5号线石犀公园站,项目主体建筑面积27775.58平方米,车站全长604.8米,其中冷水机房位于站厅层A端,面积为150平方米,机房内设计为8台设备,分别有2台冷水机组、2台冷冻水泵、2台冷却水泵、2台全程综合水处理器,总共8台设备,管道工程量258米,最大管径为DN250,DN80以上为无缝钢管,DN80以下(含DN80)为镀锌钢管。
图片展示:
【装配图纸】

【工厂加工图纸】
【现场安装完成】
上一篇: 成都地铁五号线2标段(九道堰站)
下一篇: 北京新机场热交换站项目